The Global
Information Hub for
Lighting Technologies
and Design
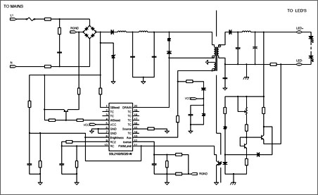
SSL2102 Application example: 12W to 25W triac dimmable LED driver with a Power Factor of above 0.9 and accurate output currenthttps://zmi.led-professional.com/Plone/media/products_led-driver-ics-modules_nxp-sets-new-benchmarks-for-led-drivers-and-announces-new-ssl-2102-integrated-dimmable-mains-led-driver-ic_nxp_ssl2102_appexample-jpg/viewhttps://zmi.led-professional.com/Plone/media/products_led-driver-ics-modules_nxp-sets-new-benchmarks-for-led-drivers-and-announces-new-ssl-2102-integrated-dimmable-mains-led-driver-ic_nxp_ssl2102_appexample-jpg/@@images/image-1200-725964327ab2160d849529017a0f2d6b.jpeg
SSL2102 Application example: 12W to 25W triac dimmable LED driver with a Power Factor of above 0.9 and accurate output current