The Global
Information Hub for
Lighting Technologies
and Design
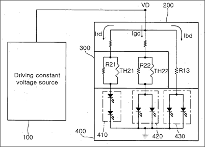
Configuration of a color LED driver according to the present invention.https://zmi.led-professional.com/Plone/media/resources-1_intellectual-properties_color-led-driver_us20070171159-gif/viewhttps://zmi.led-professional.com/Plone/media/resources-1_intellectual-properties_color-led-driver_us20070171159-gif/@@images/image-1200-5f8d574c8558d1c4e31fe3d736047f18.png
Configuration of a color LED driver according to the present invention.