The Global
Information Hub for
Lighting Technologies
and Design
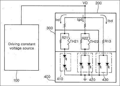
Configuration of a color LED driver according to the present invention.https://zmi.led-professional.com/Plone/media/technology_intellectual-properties_color-led-driver_us20070171159-gif/viewhttps://zmi.led-professional.com/Plone/media/technology_intellectual-properties_color-led-driver_us20070171159-gif/@@images/image-1200-9df6b9f62df2bbfc6524da7ce3159457.png
Configuration of a color LED driver according to the present invention.